R151247012 Rexroth Standard Series Nut, ZEM-E-S Cylindrical, Single Nut, Standard Seal, Tolerance Grades T5, T7, T9
The ZEM-E-S is a cylindrical single ball nut manufactured by Bosch Rexroth for use in precision rolled ball screws SN-R. This series of nuts features a standard seal, selectable axial clearance or reduced clearance, preload of 2%, 3%, or 5%, and is suitable for T5, T7, and T9 tolerance grades.
Key Features
Structure Type: Cylindrical single nut, standard seal (reinforced seal optional).
Applications: Precision rolled ball screws SN-R.
Performance Characteristics: With or with reduced axial clearance, providing 2%, 3%, or 5% preload.
Accuracy Grades: T5, T7, T9.
Special Options: Some models support left-hand threads.
This series is commonly used in industrial linear motion applications requiring high precision and sealing performance.
Rexroth ball screw drive systems have been successfully applied in various fields: machine tools, forming equipment, automation and material handling, woodworking, electrical and electronics, printing and papermaking, injection molding machines, food and packaging industries, medical devices, textile industry, and others.
Item |
Specification |
Part No. |
R151247012 |
Series |
Standard Series |
Nut Type |
Cylindrical Single Nut ZEM-E-S |
Nominal Size [mm] |
40 × 20R × 6-3 |
Nominal Diameter [mm] |
40 |
Thread Direction |
Right-hand |
Lead [mm] |
20 |
Ball Diameter [mm] |
6 |
Number of Ball Circuits |
3 |
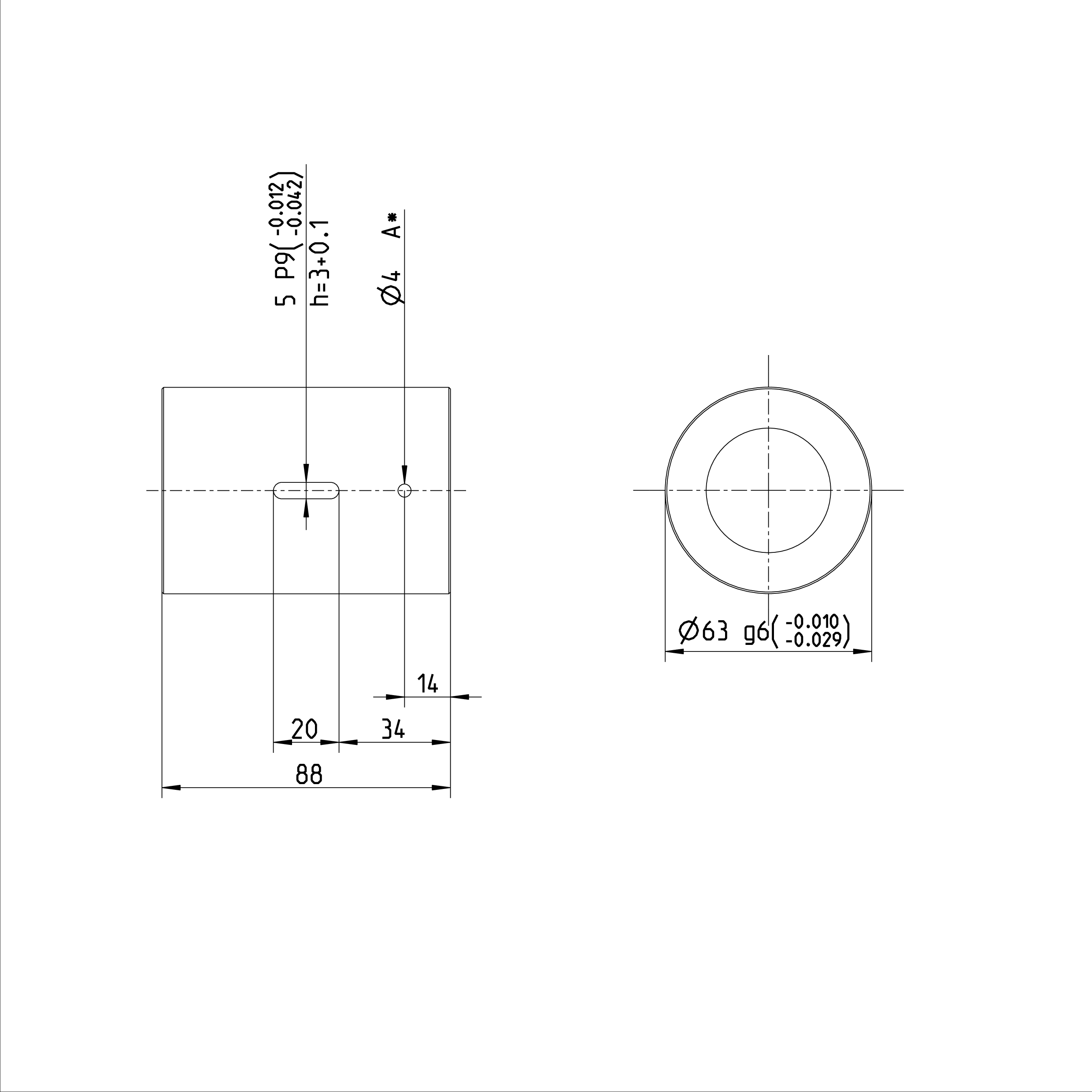
Nut Outer Diameter [mm] |
63 |
Nut Length [mm] |
88 |
Weight [kg] |
1.13 |
Rated Dynamic Load [N] |
45500 |
Rated Static Load [N] |
62800 |
Max. Speed [m/min] |
75 |
