R151269055 Rexroth Standard Series Nut, SEM-E-C Adjustable Zero Backlash, Single Nut, Standard Seal, Tolerance Grades T3, T5, T7, Adjustable Preload
Ang SEM-E-C ay isang adjustable preload na single nut na ball screw nut mula sa standard na serye ng Bosch Rexroth, na kabilang sa linya ng produkto ng BASA ball screw. Karaniwang ginagamit ito sa mga aplikasyon ng linear drive na nangangailangan ng mataas na kahusayan at mababang backlash.
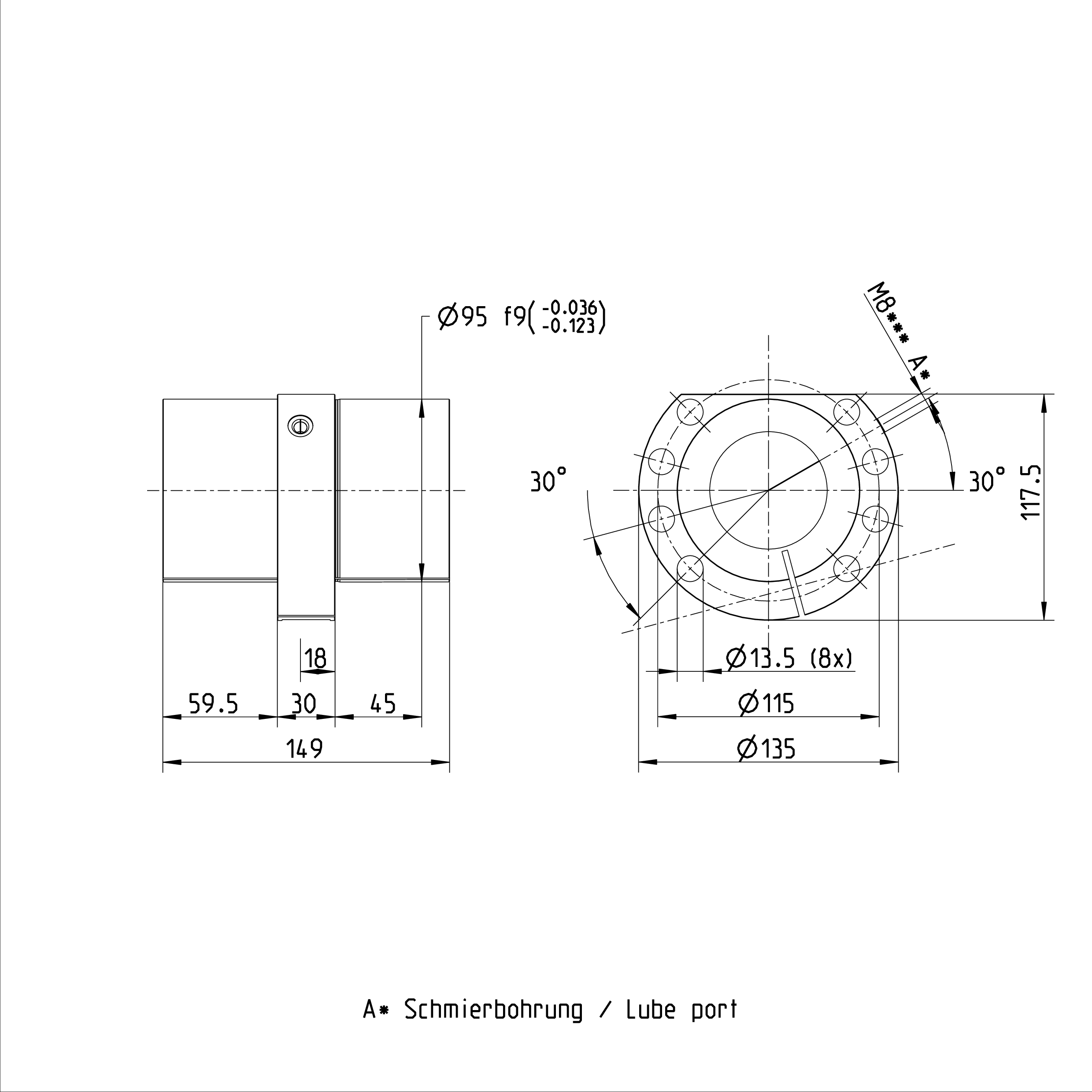
Mga Pangunahing Katangian ng R151269055 Ball Screw Nut:
Uri: Ang SEM-E-C ay isang adjustable preload na single nut na may standard na sukat ng koneksyon at mga seal ng Rexroth.
Pangunahing Gamit: Ginagamit ito pangunahin sa mga aplikasyon na nangangailangan ng tumpak na linear motion at positioning, tulad ng mga machine tool at kagamitan sa automation.
Adjustable Preload: Ang disenyo na ito ay nagpapahintulot sa pag-aadjust ng preload upang makamit ang operasyon na walang backlash, kaya’t nadaragdagan ang kumpiyansa at rigidity.
Saklaw ng Temperatura: Maaaring gumana ang nut na ito sa saklaw ng temperatura mula -10°C hanggang +80°C, na may maikling panahong peak temperature hanggang 100°C (sinukat sa housing).
Kakatayan: Angkop para sa parehong right-hand at left-hand na bersyon ng ball screw (depende sa tiyak na modelo).
Ang mga sistema ng drive ng Rexroth ball screw ay matagumpay na ginagamit sa malawak na hanay ng mga larangan:
- Makinang Pang-industriya
- Kagamitang Porma
- Automation at paghahatid ng materyales
- Pagtatrabaho sa kahoy
- Elektrikal at elektronika
- Pag-print at paggawa ng papel
- Mga injection molding machine
- Industriya ng pagkain at pagpapacking
- Kagamitan Pangmedikal
- Industriya ng Tekstil
- Iba pa
Item |
Espesipikasyon |
Bilang Parte |
R151269055 |
Serye |
Serye ng Standard |
Uri ng Nut |
Adjustable-preload na Single Nut SEM-E- C |
Nominal na Sukat [mm] |
60 × 40R × 6.5-3 |
Nominal na Diametro [mm] |
60 |
Direksyon ng Thread |
Kanang kamay |
Lead [mm] |
40 |
Diyametro ng Bola [mm] |
6.5 |
Bilang ng Circuit ng Bola |
3 |
Panlabas na Diyangmetro ng Nut [mm] |
95 |
Diyametro ng Flange [mm] |
135 |
Haba ng Nut [mm] |
149 |
Mounting holes |
BB 1 |
Timbang [kg] |
5.36 |
Nakatakdang Dynamic na Dala [N] |
64100 |
Nakatakdang Static na Dala [N] |
114100 |
Max. Bilis [m/min] |
95 |
Na-adjust na Gitnang Diametro[mm] |
Minimum na 94.936
Maximum na 94.964
|

