R151201022 Rexroth Standard Series na Nuts, ZEM-E-S Pabilog, Solong Nuts, Pamantayang Seal, Mga Antas ng Tolerance T5, T7, T9
Ang ZEM-E-S ay isang cylindrical na single ball nut na ginawa ng Bosch Rexroth para sa paggamit sa mga precision rolled ball screws na SN-R. Ang seryeng ito ng mga nut ay may standard seal, mapipili ang axial clearance o reduced clearance, preload na 2%, 3%, o 5%, at angkop para sa mga antas ng katumpakan na T5, T7, at T9.
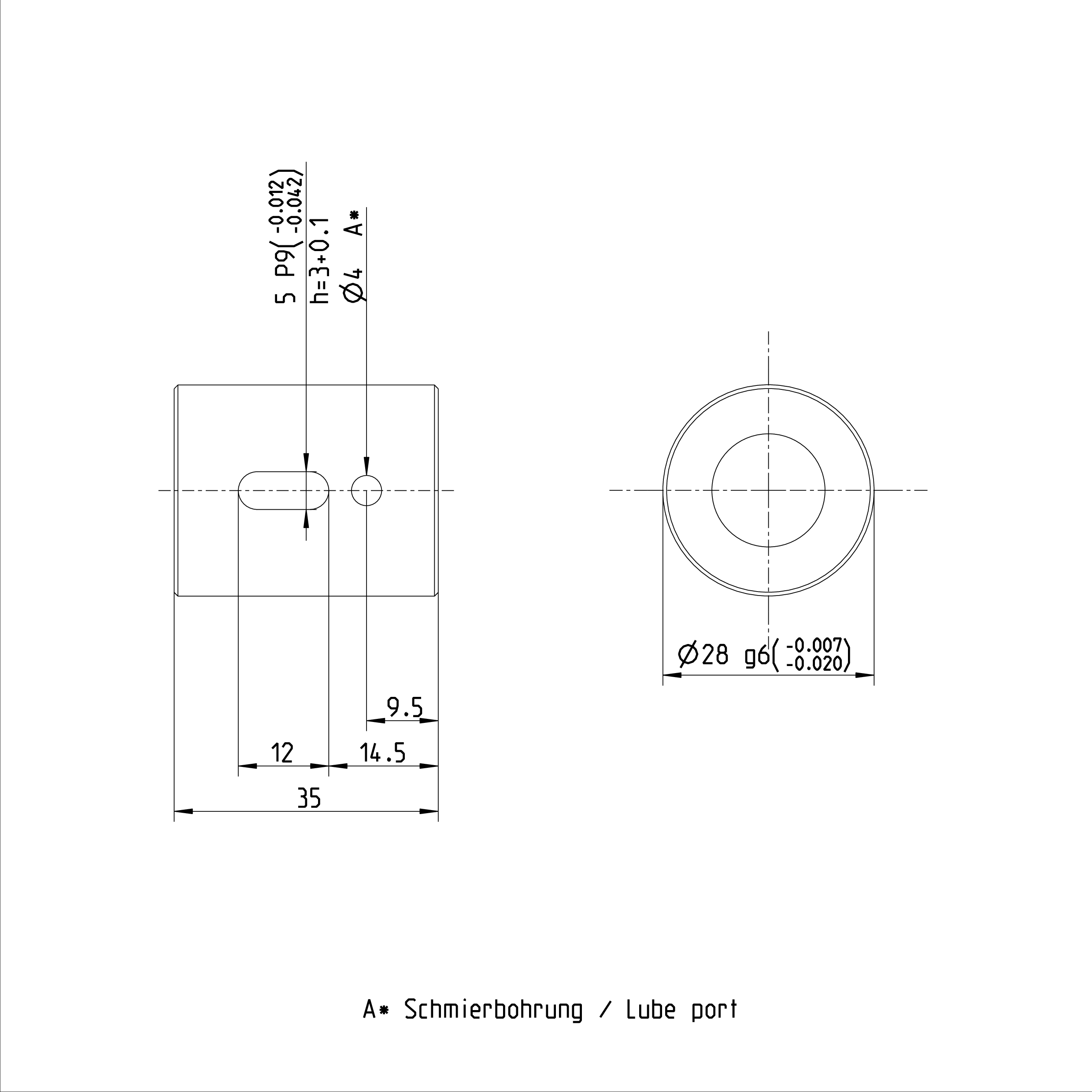
Mga Pangunahing katangian
Uri ng Isturktura: Cylindrical na single nut, standard seal (opcyonal ang reinforced seal).
Mga Aplikasyon: Precision rolled ball screws na SN-R.
Mga Katangian ng Pagganap: May axial clearance o may reduced axial clearance, na nagbibigay ng preload na 2%, 3%, o 5%.
Mga Antas ng Katumpakan: T5, T7, T9.
Mga Espesyal na Opisyon: Ang ilang modelo ay sumusuporta sa left-hand threads.
Ginagamit nang pangkalahatan ang seryeng ito sa mga industrial na linear motion application na nangangailangan ng mataas na katumpakan at sealing performance.
Ang mga sistemang pampagana ng Rexroth na ball screw ay matagumpay nang nailapat sa iba’t ibang larangan: mga kagamitang pang-makinilya, kagamitan para sa pagbuo ng hugis, awtomasyon at paghawak ng materyales, kahoy-kahoyan, kuryente at elektroniks, pagpi-print at paggawa ng papel, mga makina para sa pagpuno ng plastik, industriya ng pagkain at pakete, medikal na kagamitan, industriya ng tela, at iba pa.
Item |
Espesipikasyon |
Bilang Parte |
R1512010 22 |
Serye |
Serye ng Standard |
Uri ng Nut |
Cylindrical Single Nut ZEM-E-S |
Nominal na Sukat [mm] |
16 × 5R × 3-4 |
Nominal na Diametro [mm] |
16 |
Direksyon ng Thread |
Kanang kamay |
Lead [mm] |
5 |
Diyametro ng Bola [mm] |
3 |
Bilang ng Circuit ng Bola |
4 |
Panlabas na Diyangmetro ng Nut [mm] |
28 |
Haba ng Nut [mm] |
35 |
Timbang [kg] |
0.09 |
Nakatakdang Dynamic na Dala [N] |
14800 |
Nakatakdang Static na Dala [N] |
16100 |
Max. Bilis [m/min] |
30 |
