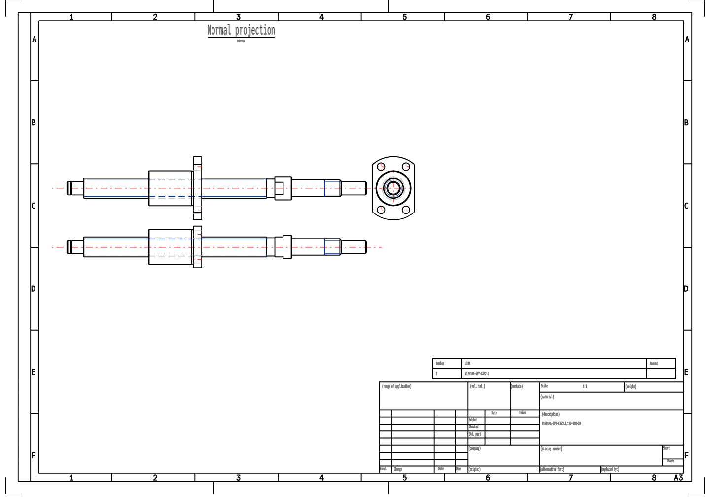
Parafuso de esferas miniatura NSK W1201MA-5PY-C3Z2.5 de baixa avanço, diâmetro do parafuso 12 mm, avanço 2,5 mm, precisão C3, porca com flange, extremidade do eixo acabada.
Os produtos NSK MA com extremidade do eixo acabada são parafusos de esferas padrão NSK com extremidades do eixo usinadas com precisão. Suas principais características incluem pequeno avanço, alta precisão, alta velocidade, operação silenciosa e design compacto. Trata-se de componentes de transmissão prontos para uso, amplamente empregados em equipamentos de automação e sistemas de posicionamento preciso.
Características do Parafuso de Esferas Tipo MA com Extremidade do Eixo Acabada:
Condição da Extremidade do Eixo: Os produtos com extremidade do eixo acabada possuem superfícies pré-usinadas para montagem de rolamentos, ranhuras para chavetas, roscas, entre outros, permitindo instalação direta com unidades de suporte.
Características do Avanço: Projeto com pequeno avanço, adequado para cenários de alimentação microscópica de alta precisão; o avanço mínimo pode atingir 1 mm.
Classe de Precisão: A precisão padrão é C3 e C5, atendendo aos requisitos de posicionamento preciso.
Método de Ciclo: Emprega um método de ciclo com defletor de extremidade, alcançando operação de alta velocidade e silenciosa (redução de ruído de aproximadamente 6 dB em comparação com métodos tradicionais).
Item |
Especificação |
Modelo NO. |
W1201MA-5PY-C3Z2.5 |
Série |
Produto Acabado na Extremidade do Eixo |
Tipo |
Mãe! |
Diâmetro do Eixo Roscado [mm] |
12 |
Passo [mm] |
2.5 |
Classe de precisão |
C3 |
Diâmetro da Esfera [mm] |
1.588 |
Número Válido de Voltas |
1×3 |
Comprimento da Porca [mm] |
32 |
Curso Máximo [mm] |
71 |
Comprimento do parafuso (Lt) [mm] |
110 |
Comprimento do parafuso (La) [mm] |
125 |
Comprimento do parafuso (L) [mm] |
180 |
Peso [kg] |
0.21 |
Carga Dinâmica Nominal [N] |
1960 |
Carga Estática Nominal [N] |
2790 |
Velocidade Máxima [Fixo-Livre] (min -1) |
4530 |
Unidade de Suporte do Lado de Acionamento |
WBK 10-01A (Quadrado) WBK 10-11 (Redondo) |
Lado de acionamento reverso |
WBK 10S-01 (Quadrado) |

Direitos Reservados © Jingpeng Machinery&Equipment(Shanghai) Co.,Ltd Todos os Direitos Reservados