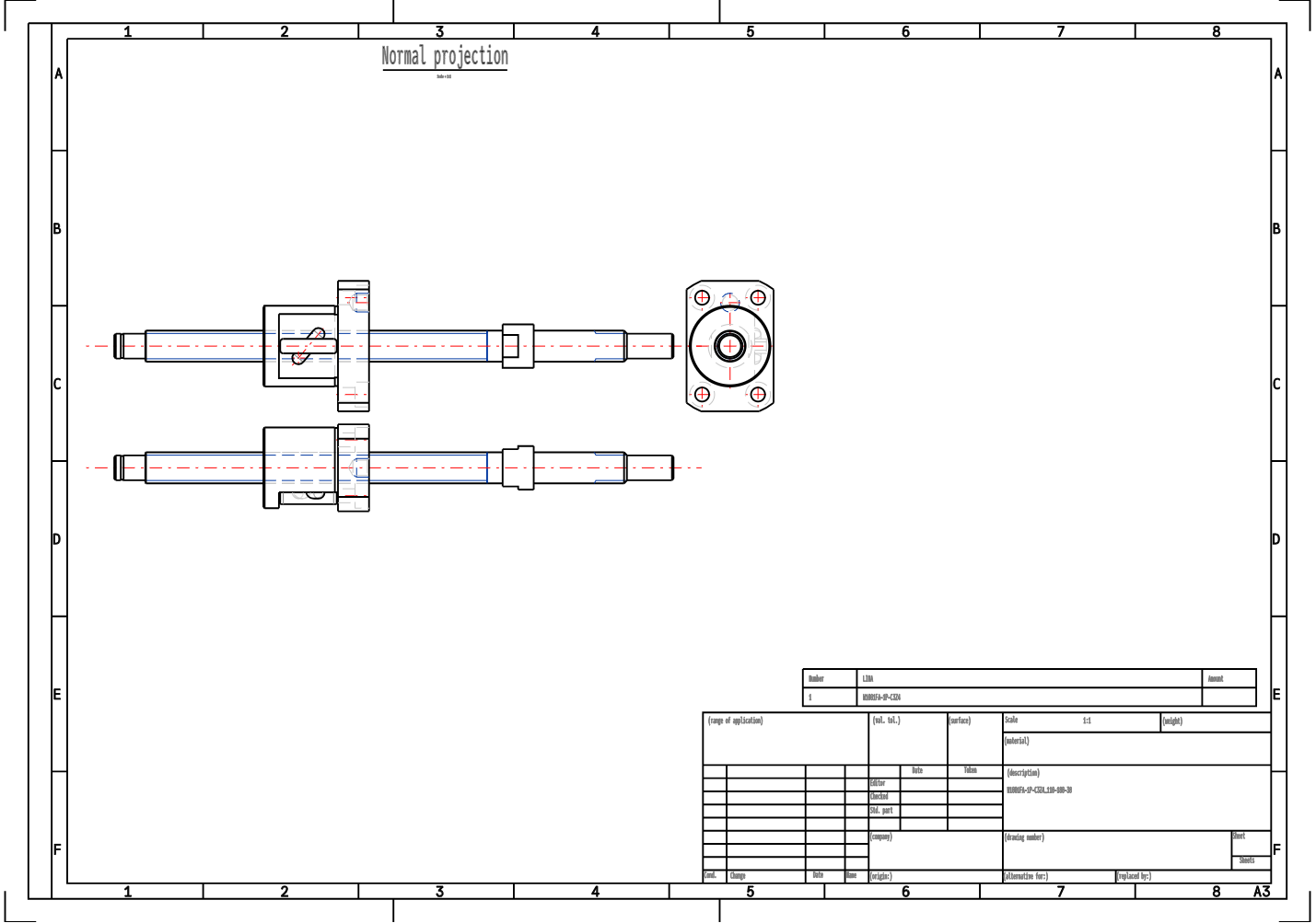
W1001FA-1P-C3Z4 NSK parva vitis sphaerica cum brevi ductu, diametro surculi 10 mm, ductu 4 mm, praecisione C3, nuce flangata, surculo perfecto.
NSK rotulae ball screw typi FA, finitae ad extremitatem axis, sunt series standard rotularum ball screw a NSK (Machinae Praecisionis Iaponicae) edita. Extremitas axis iam accuratissime exsculpta est et directe installari atque uti potest, ita ut ulterior exsculptura extremitatis axis ab utente non opus sit, quod cyclum confectionis instrumentorum brevissimum reddit.
Proprietates rotulae ball screw typi FA, finitae ad extremitatem axis:
Designatio finitae extremitatis axis: Extremitas axis praeexsculpta est in officina (scilicet filetta, clavaria, etc.), ita ut directe adfigi possit et cyclus evolvendi instrumentorum abbrevietur.
Praestantia altae praecisionis: praecisio C3, coniuncta praeloado P, adhibet accuratam positionem ad micronem.
Structura compacta: minor diameter externus nuci spatium installationis instrumentorum parcit, apta est ad instrumenta parva et praecisa.
Lubricatio fidabilis: græsum hermeticum standardis, sustinet maintenance longum, quaedam exemplaria ad systema lubricationis sine maintenance promoveri possunt.
Cito distributio: specificata communia in thesauris sunt, ut cito ad postulationes respondeatur.
Elementum |
Specificatio |
Numerus Modeli |
W1001FA-1P-C3Z4 |
Series |
Productum Finale Extremitatis Axis |
Genus |
F A |
Diametros virgae filetatae [mm] |
10 |
Gressus [mm] |
4 |
Gradus accurate |
C3 |
Diameter Sphaerae [mm] |
2.000 |
Numerus Validus Circuitionum |
2.5×1 |
G aP S yMBOL |
Z |
Circulatio M ethod |
Circulatio per tubum |
Longitudo Nucis [mm] |
34 |
Itinerarium maximum [mm] |
69 |
Longitudo Viti (Lt) [mm] |
110 |
Longitudo Viti (La) [mm] |
125 |
Longitudo Viti (L) [mm] |
180 |
Pondus [kg] |
0.26 |
Onus Dynamicum Notatus [N] |
2020 |
Onus Staticum Notatus [N] |
2210 |
Velocitas Maxima [Fixum-Liberum] (min -1) |
3000 |
Unitas lateralis motricis |
WBK 10-01A(Quadrata) WBK 10-11 (Rotundum) |
Latus retro agens |
WBK 10S-01 (Quadratum) |

Jura Auctoria Servanda Sunt © Jingpeng Machinery&Equipment(Shanghai) Co.,Ltd