W1201MA-1PY-C3Z2 NSK balla-screw beag, balla-screw le ceannaireacht íseal, trastomhas na screwbhola 12 mm, ceannaireacht 2 mm, cruinneas C3, cnáibín le fliantás, ceann sreangbhola críochnaithe.
Tá táirgí NSK MA le bun an tsreing críochnaithe mar tháirgí caighdeánach NSK le screws ball, le haghaidh an tsreing curtha i mbun go cruinn. I measc a gceapairí príomha tá an leithscéal beag, an cruinneas ard, an luas ard, an oibriú ciúin, agus an dearadh cumpanach. Is iad seo comhpháirteanna trasdúil réidh le húsáid agus úsáidtear iad go forleathan i bhfeidhmchláir uathoibríochta agus i gcóras suíomhú cruinn.
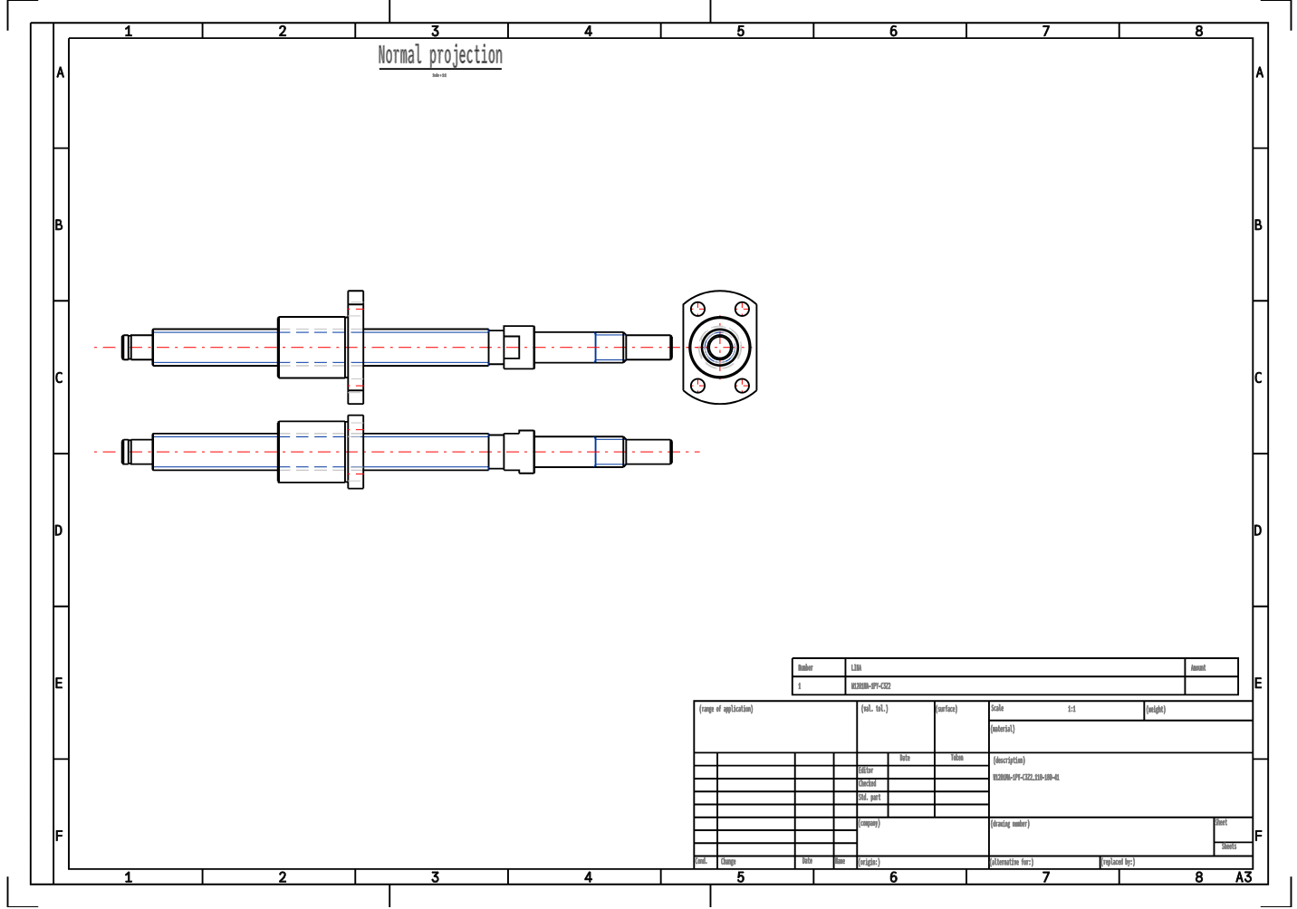
Gnéithe an tsreing le bun críochnaithe – Seol MA:
Staid an tseol: Tá aghaidh an tseol críochnaithe le haghaidh suímh churtha i mbun na n-ullach, slisní, snáithíní, srl., agus is féidir iad a shuiteáil go díreach le haonaid tacaíochta.
Ardchuidí an Láidir: Dealramh beag láidir, oiriúnach do scéalta micre-ghoileáin ar ard-chruinneas; is féidir an láidir is lú a bhaint amach go dtí 1 mm.
Grád cruinneasa: Is é C3 agus C5 an grád cruinneasa caighdeánach, ag fulfilliú riachtanais le haghaidh suíomhú cruinn.
Modh an chiorcail: Úsáideann modh ciorcail le heagraíocht i ndeireadh an tsrí, ag baint amach oibre ar shpeed ard agus gan guth (laghdú gutha de thart ar 6 dB i gcomparáid leis na modhanna traidisiúnta).
Earra |
Sonraí teicniúla |
Uimhir Mhúnla. |
W1201MA-1PY-C3Z2 |
Sraith |
Táirge críochnaithe ag deireadh an droma |
Cineál |
MA |
Trastomhas Seilfe Scrua [mm] |
12 |
Lead [mm] |
2 |
Grád uafás |
C3 |
Trastomhadh na Liathróide [mm] |
1.2 |
Uimhir Bhailí na gCiorcail |
1×3 |
Faid na hAlúine [mm] |
28 |
Imeacht Uasta [mm] |
75 |
Fad an Chriosa (Lt) [mm] |
100 |
Fad an Chriosa (La) [mm] |
125 |
Fad an Chriosa (L) [mm] |
180 |
Cainníochta [kg] |
0.20 |
Lucht Dinimiciúil Ardráta [N] |
1960 |
Lucht Statach Sheasta [N] |
3620 |
An Luas Is Airde [Socraithe-Saor] (i ngnóimh -1) |
3000 |
Aonad Tacaíochta Taobh Frithbhrúite |
WBK0 8-01A (Cearnóg) WBK0 8-11 (Rund) |
Taobh Tiomána Aisghuairde |
WBK08S-01 (Cearnóg) |

Cóipcheart © Jingpeng Machinery&Equipment(Shanghai) Co., Ltd Gach ceart ar cosaint