R151269032 Bosch Rexroth Hochleistungs-Mutter-Serie, Typ FED-E-B mit Flansch, Einzelmutter, Standarddichtung, Toleranzklassen T3, T5, T7, T9, Vorspannklassen C0, C00, C1, C2
Die Bosch Rexroth-FED-E-B-Serie ist eine flanschmontierte Einzelmutter, die speziell für Hochleistungs-Kugelgewindetriebe konzipiert wurde. Diese Serie gehört zur Linear Motion Technology und wurde entwickelt, um die dynamische und statische Tragfähigkeit deutlich zu verbessern; sie eignet sich daher für Bewegungssteuerungsaufgaben mit extrem hohen Anforderungen an Präzision und Steifigkeit.
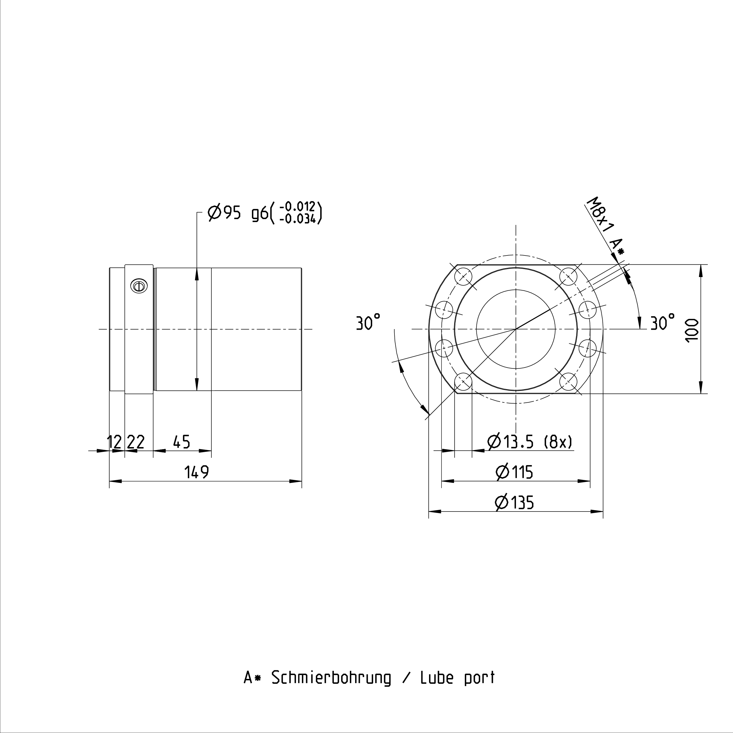
Kern-technische Merkmale der Hochleistungs-Muttern der FED-E-B-Serie:
Montage: Mit Flansch; die Montagemaße entsprechen in der Regel Teil 5 der DIN 69051.
Dichtung und Schutz: Diese Muttern sind mit Standarddichtungen ausgestattet, um das Eindringen von Verunreinigungen zu verhindern und den Schmierstoffverlust zu reduzieren.
Hochleistungs-Bewegung: Als Hochleistungs-Serie ist die FED-E-B speziell für hohe dynamische Ansprechgeschwindigkeit und Positioniergenauigkeit optimiert und wird üblicherweise in präzisen Werkzeugmaschinen, der Fabrikautomation und im Maschinenbau eingesetzt.
Betriebstemperatur: Die zulässige maximale Dauerbetriebstemperatur beträgt 80 °C; kurzfristige Spitzenwerte können 100 °C erreichen.
Rexroth Kugelgewindetriebe werden erfolgreich in einer Vielzahl von Bereichen eingesetzt:
- Werkzeugmaschinen
- Umformmaschinen
- Automation und Materialhandhabung
- Holzbearbeitung
- Elektro- und Elektronik
- Druck- und Papierherstellung
- Spritzgussmaschinen
- Lebensmittel- und Verpackungsindustrie
- Medizingeräte
- Textilindustrie
- Sonstiges
Artikel |
Spezifikation |
Teile-Nr. |
R151269032 |
Serie |
High-Performance-Serie |
Muttersorte |
Einzelmuttern mit Flansch FED-E-B |
Nenngröße [mm] |
63 × 40R × 6,5–6 |
Nenndurchmesser [mm] |
63 |
Fäderrichtung |
Rechtslaufend |
Steigung [mm] |
40 |
Kugeldurchmesser [mm] |
6.5 |
Anzahl der Kugelkreise |
6 |
Mutter-Außendurchmesser [mm] |
95 |
Flanschdurchmesser der Mutter |
135 |
Mutterlänge [mm] |
149 |
Gewicht [kg] |
5.05 |
Nenn dynamische Tragkraft [N] |
100000 |
Nenn statische Tragkraft [N] |
230600 |
Max. Drehzahl [m/min] |
95 |
